全国服务热线:
+86-372-2595077/2595078/2595088
用途:
本系列产品是一种机电转换装置,在直流12V/24V的电液比例控制系统中与比例控制放大器配套使用,共同作用于HAWE 型负载敏感比例多路阀。在额定行程及额定电流范围内,其输出力及位移与输入电流成比例,输出力在额定行程内恒定不变,输入电流在额定范围内的无级调节,可实现液压系统执行机构在额定范围内的无级调速、换向和远程控制。
主要技术参数
型号 | DP2539-3-A DT | |
额定电压 (V) | 24V | 12V |
适用环境温度 (℃) | -30~+60 | |
有效行程 (mm) | 1 | |
全行程 (mm) | >1.1 | |
建议使用行程范围 (mm) | 0.2~0.8 | |
额定吸力 (N) | 15 | |
力滞环 (%) | ≤8 | |
电流滞环 (%) | ≤8 | |
额定电流 (A) | 0.58 | 1.16 |
*大电流 (A) | 0.85 | 1.7 |
额定电阻20℃ (Ω) | 28 | 7 |
额定功率 (W) | 9.4 | 9.4 |
*大功率 (W) | 20.6 | 20.6 |
防护等级 | IP67 | |
稳态行程-力特性曲线
24V 示例

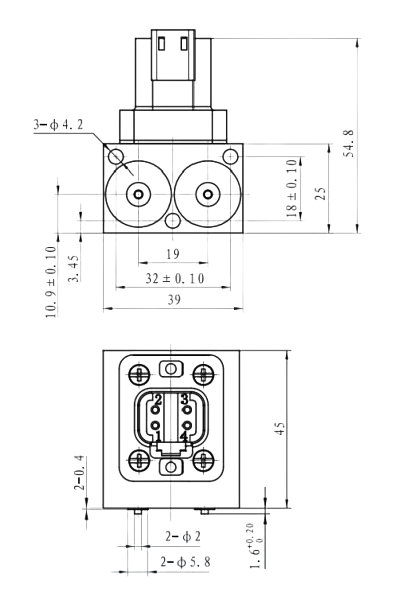
外形及安装尺寸

使用注意事项
● 电磁铁插座标准:DT04-4P。
● 电气控制系统与电磁铁连接部分之间应设有过流保护装置,以免非正常情况下,烧毁电磁铁及您的电控元件。
● 液压系统工作介质为矿物油,磷酸脂油。
● 电磁铁为连续工作制。
样本说明
● 对超出本样本要求的应用场合,请询问本公司。
● 特性曲线仅供参考。
● 主要特性参数均为实验室条件下获得。本公司保留修改参数的权力。
中文(简体)
English
Русский
Espa?ol